48 inch plug aerator john deere 2025
48 inch plug aerator john deere 2025, John Deere 48 in. Tow Behind Plug Aerator 2025
$0 today, followed by 3 monthly payments of $14.33, interest free. Read More
48 inch plug aerator john deere 2025
John Deere 48 in. Tow Behind Plug Aerator
Amazon Brinly PA 403BH A Tow Behind Plug Aerator with
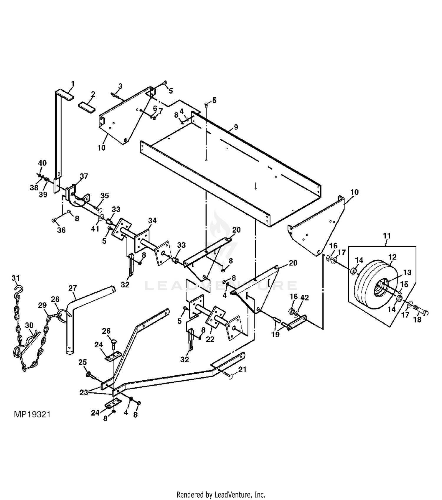
John Deere 48 IN PLUG AERATOR PC2661 Plug Aerator 48 Inch Plug
Plug Aerator for 48 inch Lawn Tractor
John Deere 48 Inch Plug Aerator
John Deere 48 in. Tow Behind Plug Aerator PA 48JD The Home Depot
aquaklearofnewjersey.com
Product Name: 48 inch plug aerator john deere 2025Plug Aerator for 48 inch Lawn Tractor 2025, John Deere 48 Inch Plug Aerator 2025, John Deere 48 in. Tow Behind Plug Aerator PA 48JD The Home Depot 2025, 48 Tow Behind Plug Aerator PA 482BH Brinly Hardy Lawn and 2025, John Deere Tow Behind Plug Aerator LPPA40JD 2025, John Deere 48 in. Tow Behind Plug Aerator 2025, 48 Tow Behind Plug Aerator PA 482BH Brinly Hardy Lawn and 2025, 48 Tow Behind Plug Aerator PA 482BH Brinly Hardy Lawn and 2025, John Deere Tow Behind Plug Aerator LPPA40JD 2025, Agri Fab 48 in Steel Plug Lawn Aerator for Lawn Mower Tractor 2025, Agri Fab 48 in Steel Plug Lawn Aerator for Lawn Mower Tractor 2025, Show me your aerators Anybody have the John Deere 40 2025, Rentshop Lawn Aerator 48 inch Towable 2025, Brinly PA 482BH A Tow Behind Plug Aerator with Universal Hitch 48 2025, 48 Tow Behind Plug Aerator PA 482BH Brinly Hardy Lawn and 2025, Lawn Tractor Aerators Lawn Tractor Attachments Homedepot 2025, John Deere Aerator Spreader Overview 2025, Agri Fab 45 0299 48 Inch Tow Plug Aerator 2025, Agri Fab 45 0299 48 Inch Tow Plug Aerator 2025, Yard Tuff 48 in. Tow Behind Lawn Mower Tractor Plug Aerator w 2025, Show me your aerators Anybody have the John Deere 40 2025, Agri Fab 45 0299 48 Inch Tow Plug Aerator Orange Black Large 2025, Agri Fab 45 0299 48 Inch Tow Plug Aerator Amazon Automotive 2025, John Deere 40 Inch Plug Aerator Review Home Construction Improvement 2025, AgriFab 48 Inch Plug Aerator YouTube 2025, Agri Fab 48 in Steel Plug Lawn Aerator for Lawn Mower Tractor 45 2025, 48 Tow Behind Plug Aerator PA 482BH Brinly Hardy Lawn and 2025, Brinly Hardy 42 in. Tow Behind Plug Aerator with Easy Storage 2025, Agri Fab 45 0518 40 2025, John Deere 40 in Plug Lawn Aerator in the Plug Lawn Aerators 2025, John Deere Multi Thatch System for Riding Mowers The Home Depot 2025, Tow behind aerators for 1025r Green Tractor Talk 2025, John Deere 48 in. Tow Behind Plug Aerator 2025, Amazon Brinly PA 403BH A Tow Behind Plug Aerator with 2025, John Deere 48 IN PLUG AERATOR PC2661 Plug Aerator 48 Inch Plug 2025.
-
Next Day Delivery by DPD
Find out more
Order by 9pm (excludes Public holidays)
$11.99
-
Express Delivery - 48 Hours
Find out more
Order by 9pm (excludes Public holidays)
$9.99
-
Standard Delivery $6.99 Find out more
Delivered within 3 - 7 days (excludes Public holidays).
-
Store Delivery $6.99 Find out more
Delivered to your chosen store within 3-7 days
Spend over $400 (excluding delivery charge) to get a $20 voucher to spend in-store -
International Delivery Find out more
International Delivery is available for this product. The cost and delivery time depend on the country.
You can now return your online order in a few easy steps. Select your preferred tracked returns service. We have print at home, paperless and collection options available.
You have 28 days to return your order from the date it’s delivered. Exclusions apply.
View our full Returns and Exchanges information.
Our extended Christmas returns policy runs from 28th October until 5th January 2025, all items purchased online during this time can be returned for a full refund.
Find similar items here:
48 inch plug aerator john deere 2025
- 48 inch plug aerator john deere
- battery powered leaf sucker
- bag for blower vac
- best garden vacuum 2019
- biggest stihl pole saw
- best hand lawn aerator
- black and white makita drill set
- branch saw bunnings
- craftsman 4 in 1 lawn vacuum
- dewalt orbital jig saw